伟尔拓自动化
精品凸轮分割器供应商
首页
产品展示
应用领域
新闻资讯
关于我们
联系我们
伟尔拓自动化
首页
产品展示
应用领域
新闻资讯
关于我们
联系我们
确定
产品中心
您的位置:
首页
>
产品中心
>
DE心轴凸缘型
产品分类
凸轮间歇分割器
DF法兰型
DS心轴型
DE心轴凸缘型
DT平台桌面型
DA超薄平台桌面型
DH/FN升降摇摆型
Y圆柱形
PU平板共轭型
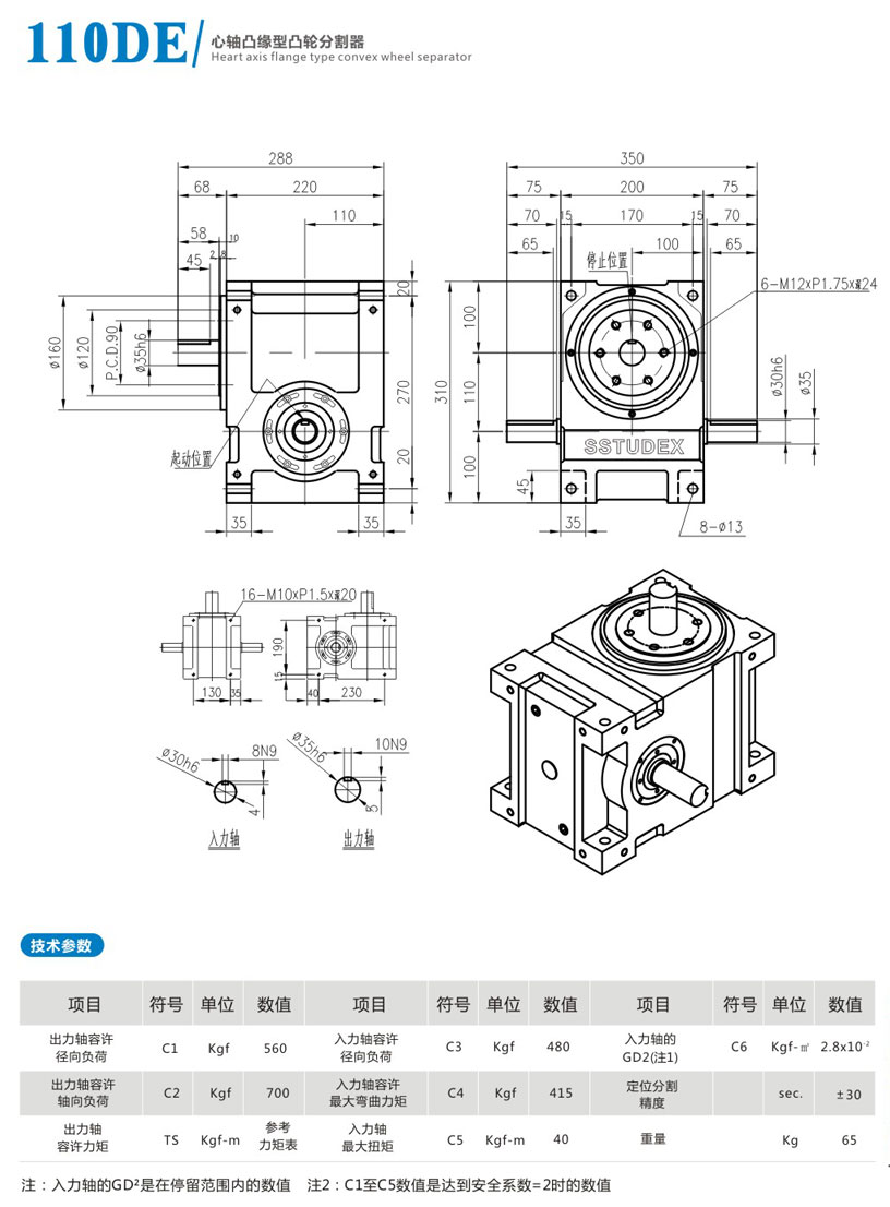
DE心轴凸缘型
DE心轴凸缘型
此系列机种具有心轴型和凸缘型一体的输出轴形式,以便工作台、摆臂或链轮等附件安装起来更简单,为客户选型提供了多元化的解决方案。其余图纸找生产厂家索图。
在线客服
联系我们
45DE
60DE
70DE
80DE
110DE
140DE
180DE
45DE
60DE
70DE
80DE
110DE
140DE
180DE
在线客服
QQ咨询
咨询电话
0512-50171458
客户经理
15050235199
回到顶部